相数 PHASE:2
步距角度 STEP ANGLE:1.8°
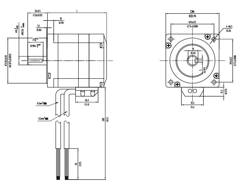
机座尺寸 MOTOR FRAME SIZE:86×86(mm)
XC | 1 | 6 | 75 | 30 | M |
① | ② | ③ | ④ | ⑤ | ⑥ |
①:步进电机系列名(XC:绝对值磁编码器闭环步进电机系列)
②:编码器分辨率(1:17位单圈;3:23位单圈)
③:安装尺寸( 2:28mm; 4:42mm; 5:57mm; 6:60mm; 8:86mm)
④:电机长度代码(30:30mm;75:75mm;A0:100mm;B0:110mm;C0:120mm...以此类推 (跳过I和O)两位数表示,带小数点,四舍五入)
⑤:电流代码(例:26:2.6A;09:0.95A)
⑥:M:电磁制动;空白:无电磁制动
型号 MODEL | 保持转矩 HOLDING TORQUE N.m oz-in | 额定电流 RATED CURRENT A/PHASE | 相电阻 RESISTANCE Ω/PHASE | 相电感 INDUCTANCE mh/PHASE | 引线数 LEAD WIRES PINS | 转动惯量 POTOR INERTIA g.cm² oz-in² | 长度(L) LENGTH mm(inch) | 重量 WEIGHT Kg(lb) | 适配驱动器 Adapt drive | ||
XC189630 | 3.50 | 493 | 3.0 | 1.08 | 9.48 | 4 | 1300 | 7.20 | 95.5(3.72) | 2.01(4.43) | TDC-D301M TPC-D301M |
XC389630 | |||||||||||
XC18A730 | 4.17 | 587 | 3.0 | 1.23 | 13.12 | 1850 | 10.2 | 107(4.17) | 2.46(5.42) | ||
XC38A730 | |||||||||||
XC18C430 | 6.37 | 897 | 3.0 | 1.55 | 17.42 | 2500 | 13.8 | 124(4.84) | 3.13(6.9) | ||
XC38C430 | |||||||||||
XC18E730 | 8.48 | 1194 | 3.0 | 2.04 | 25.33 | 3700 | 20.4 | 147(5.73) | 4.09(9.02) | ||
XC38E730 | |||||||||||
XC18F330 | 9.21 | 1297 | 3.0 | 2.19 | 26.76 | 3900 | 21.5 | 152.5(5.95) | 4.28(9.44) | ||
XC38F330 | |||||||||||
